Sign In | Join Free | My portofva.com
China SHENZHEN DYS FIBER OPTIC TECHNOLOGY CO.,LTD logo
SHENZHEN DYS FIBER OPTIC TECHNOLOGY CO.,LTD
SHENZHEN DYS FIBER OPTIC TECHNOLOGY CO.,LTD High Level Products! High Level Price! High Level Service!
Active Member

14 Years

Home > Fiber Optic Transceiver >

RoHS Compliant 10Gb/s SFP+ Bi-Directional Transceiver, 40km

SHENZHEN DYS FIBER OPTIC TECHNOLOGY CO.,LTD
Contact Now

RoHS Compliant 10Gb/s SFP+ Bi-Directional Transceiver, 40km

Brand Name : DYS/OEM

Model Number : SFP+ BIDI,10G SFP+,40km

Certification : IS09001-2015.ROHS

Place of Origin : China

MOQ : Negotiable

Price : Negotiable

Contact Now

RoHS Compliant 10Gb/s SFP+ Bi-Directional Transceiver, 40km Reach

1270/1330nm TX / 1330/1270 nm RX

PRODUCT FEATURES

●Supports 9.95Gb/s to 10.3Gb/s data rates

●Simplex LC Connector Bi-Directional SFP+ Optical Transceiver

●Digital Diagnostic SFF-8472 Compliant

●Hot pluggable

●1:1270nm DFB Laser transmitter,1330nm receiver

2:1330nm DFB Laser transmitter,1270nm receiver

●Up to 40km on 9/125um SMF

●SFP+ MSA SFF-8431 Compliant

●Operating case temperature: 0 to 70 °C

APPLICATIONS

●10GBASE-ER at 10.3125Gbps

●10GBASE-EW at 9.953Gbps

●Other optical links

FUNCTIONAL DIAGRAM

RoHS Compliant 10Gb/s SFP+ Bi-Directional Transceiver, 40km

ABSOLUTE MAXIMUM RATINGS

Parameter

Symbol

Min.

Max.

Unit

Note

Supply Voltage

Vcc

-0.5

4.0

V

Storage Temperature

-40

85

°C

Relative Humidity

85

%

Note: Stress in excess of the maximum absolute ratings can cause permanent damage to the module

GERERAL OPERATING CHARACTERISTICS

Parameter

Symbol

Min.

Typ

Max.

Unit

Note

Data Rate

Ethernet

10.3125

Gb/s

Fiber Channel

10.518

Supply Voltage

Vcc

3.13

3.3

3.47

V

Vcc

V

Supply Current

Icc5

mA

Icc3

400

mA

Operating Case Temp.

Tc

0

70

°C

ELECTRICAL INPUT/OUTPUT CHARACTERISTICS

l Transmitter

Parameter

Symbol

Min.

Typ

Max.

Unit

Note

Diff. input voltage swing

120

820

mVpp

1

Tx Disable input

H

VIH

2.0

Vcc+0.3

V

L

VIL

0

0.8

Tx Fault output

H

VOH

2.0

Vcc+0.3

V

2

L

VOL

0

0.8

Input Diff. Impedance

Zin

100

Ω

l Receiver

Parameter

Symbol

Min.

Typ

Max.

Unit

Note

Diff. output voltage swing

340

650

800

mVpp

3

Rx LOS Output

H

VOH

2.0

Vcc+0.3

V

2

L

VOL

0

0.8

Note 1) TD+/- are internally AC coupled with 100Ω differential termination inside the module.

Note 2) Tx Fault and Rx LOS are open collector outputs, which should be pulled up with 4.7k to 10kΩ resistors on the host board. Pull up voltage between 2.0V and Vcc+0.3V.

Note 3) RD+/- outputs are internally AC coupled, and should be terminated with 100Ω (differential) at the user SERDES.

OPTICAL CHARACTERISTICS

l Transmitter

Parameter

Symbol

Min.

Typ

Max.

Unit

Note

Operating Wavelength

1260

1270

1280

nm

1320

1330

1340

Ave. output power (Enabled)

Po

0

4

dBm

1

Extinction Ratio

ER

5

dB

1

RMS spectral width

Δλ

1

nm

Rise/Fall time (20%~80%)

Tr/Tf

50

ps

2

Optical modulation amplitude

OMA

-6.2

dBm

Dispersion penalty

1

dB

Output Optical Eye

Compliant with IEEE 0802.3ae

l Receiver

Parameter

Symbol

Min.

Typ

Max.

Unit

Note

Operating Wavelength

1320

1330

1340

nm

1260

1270

1280

Sensitivity

Psen

-15

dBm

3

Min. overload

Pimax

0.5

dBm

LOS Assert

Pa

-30

dBm

LOS De-assert

Pd

-16

dBm

LOS Hysteresis

Pd-Pa

0.5

4

dB

Note 1) Measured at 10.3125b/s with PRBS 231 – 1 NRZ test pattern.

Note 2) 20%~80%

Note 3) Under the ER worst case, measured at 10.3125 Gb/s with PRBS 231 - 1 NRZ test pattern for BER < 1x10-12

PIN DEFINITIONS AND FUNCTIONS

RoHS Compliant 10Gb/s SFP+ Bi-Directional Transceiver, 40km RoHS Compliant 10Gb/s SFP+ Bi-Directional Transceiver, 40km

Pin

Symbol

Name/Description

1

VEET [1]

Transmitter Ground

2

Tx_FAULT [2]

Transmitter Fault

3

Tx_DIS [3]

Transmitter Disable. Laser output disabled on high or open

4

SDA [2]

2-wire Serial Interface Data Line

5

SCL [2]

2-wire Serial Interface Clock Line

6

MOD_ABS [4]

Module Absent. Grounded within the module

7

RS0 [5]

Rate Select 0

8

RX_LOS [2]

Loss of Signal indication. Logic 0 indicates normal operation

9

RS1 [5]

Rate Select 1

10

VEER [1]

Receiver Ground

11

VEER [1]

Receiver Ground

12

RD-

Receiver Inverted DATA out. AC Coupled

13

RD+

Receiver DATA out. AC Coupled

14

VEER [1]

Receiver Ground

15

VCCR

Receiver Power Supply

16

VCCT

Transmitter Power Supply

17

VEET [1]

Transmitter Ground

18

TD+

Transmitter DATA in. AC Coupled

19

TD-

Transmitter Inverted DATA in. AC Coupled

20

VEET [1]

Transmitter Ground

Notes:

[1] Module circuit ground is isolated from module chassis ground within the module.

[2].should be pulled up with 4.7k – 10k ohms on host board to a voltage between 3.15Vand 3.6V.

[3]Tx_Disable is an input contact with a 4.7 kΩ to 10 kΩ pullup to VccT inside the module.

[4]Mod_ABS is connected to VeeT or VeeR in the SFP+ module. The host may pull this contact up to Vcc_Host with a resistor in the range 4.7 kΩ to10 kΩ.Mod_ABS is asserted “High” when the SFP+ module is physically absent from a host slot.

[5] RS0 and RS1 are module inputs and are pulled low to VeeT with > 30 kΩ resistors in the module.

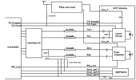
TYPICAL INTERFACE CIRCUIT

RoHS Compliant 10Gb/s SFP+ Bi-Directional Transceiver, 40km

Recommended power supply filter

RoHS Compliant 10Gb/s SFP+ Bi-Directional Transceiver, 40km

Note: Inductors with DC resistance of less than 1Ω should be used in order to maintain the required voltage at the SFP input pin with 3.3V supply voltage. When the recommended supply filtering network is used, hot plugging of the SFP transceiver module will result in an inrush current of no more than 30 mA greater than the steady state value

PACKAGE DIMENSIONS

RoHS Compliant 10Gb/s SFP+ Bi-Directional Transceiver, 40km

ORDERING INFORMATION

Part Number

Description

DYS-SFP+-WDM-1240

SFP+ BiDi,10.3125Gbps,1270nm,40km,0~70℃, with DDM

DYS-SFP+-WDM-1330

SFP+ Plus BiDi,10.3125Gbps,1330nm,40km,0~70℃, with DDM


China RoHS Compliant 10Gb/s SFP+ Bi-Directional Transceiver, 40km wholesale

RoHS Compliant 10Gb/s SFP+ Bi-Directional Transceiver, 40km Images

Inquiry Cart 0
Send your message to this supplier
 
*From:
*To: SHENZHEN DYS FIBER OPTIC TECHNOLOGY CO.,LTD
*Subject:
*Message:
Characters Remaining: (0/3000)